您好!欢迎来到上海潭兴企业有限公司官方网站!我司为台湾潭兴精工有限公司大陆分公司。





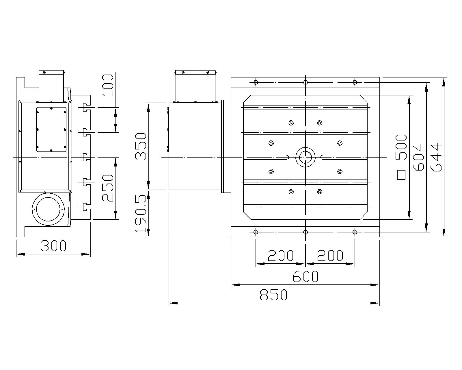
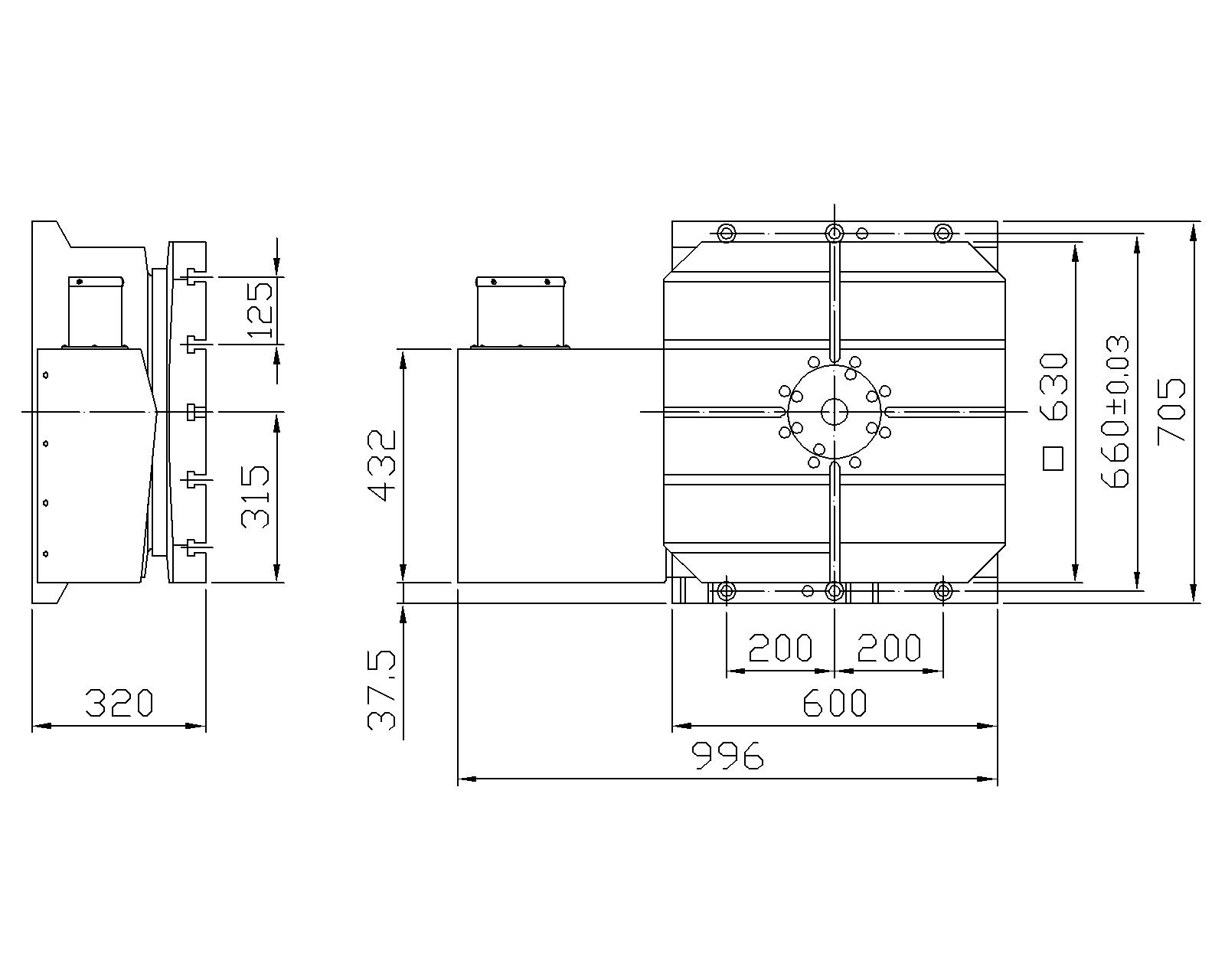
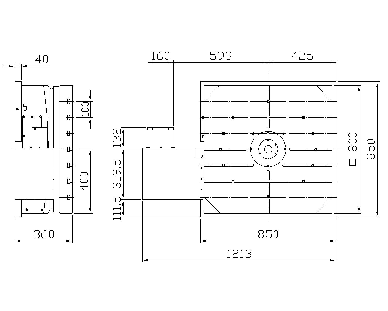
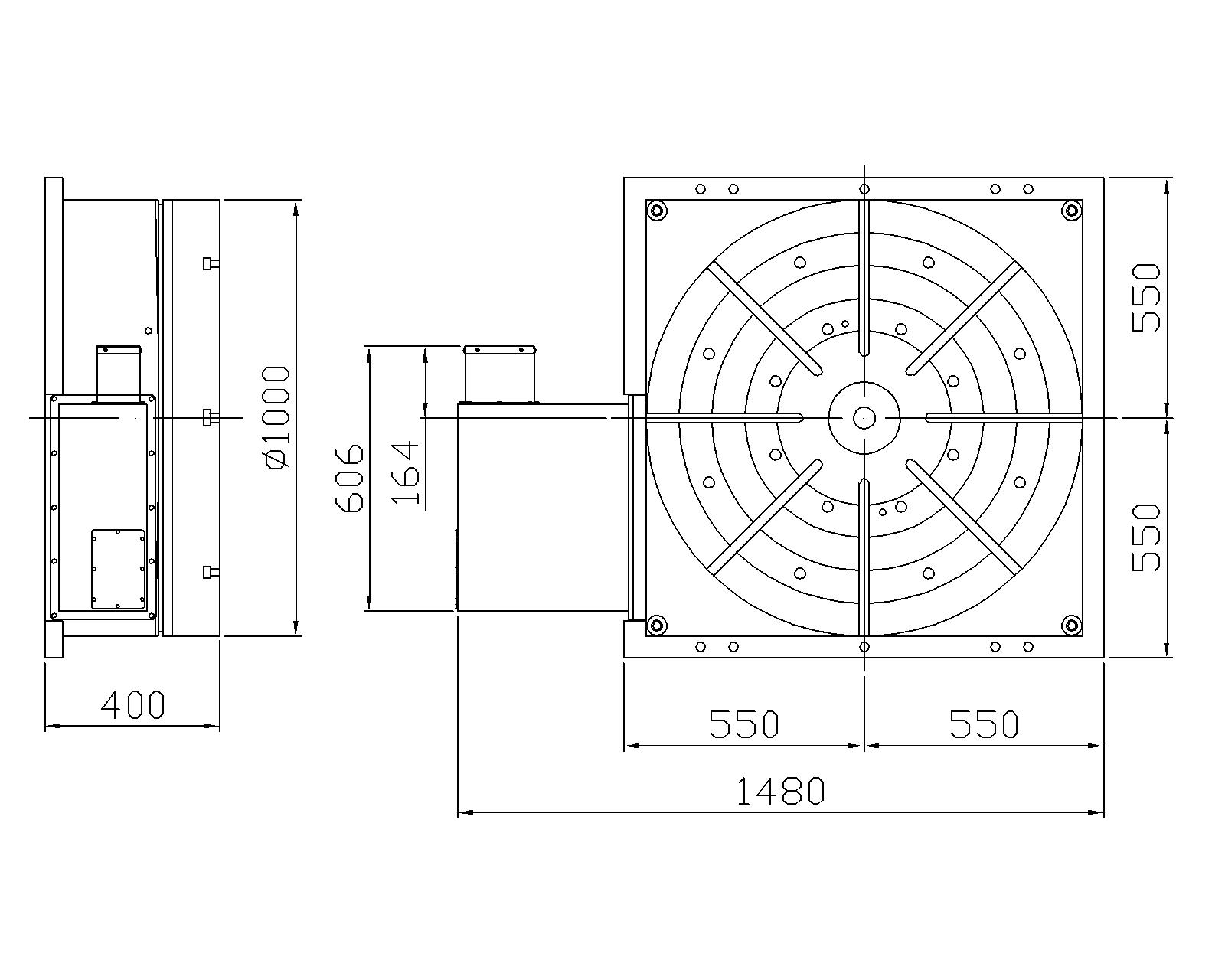
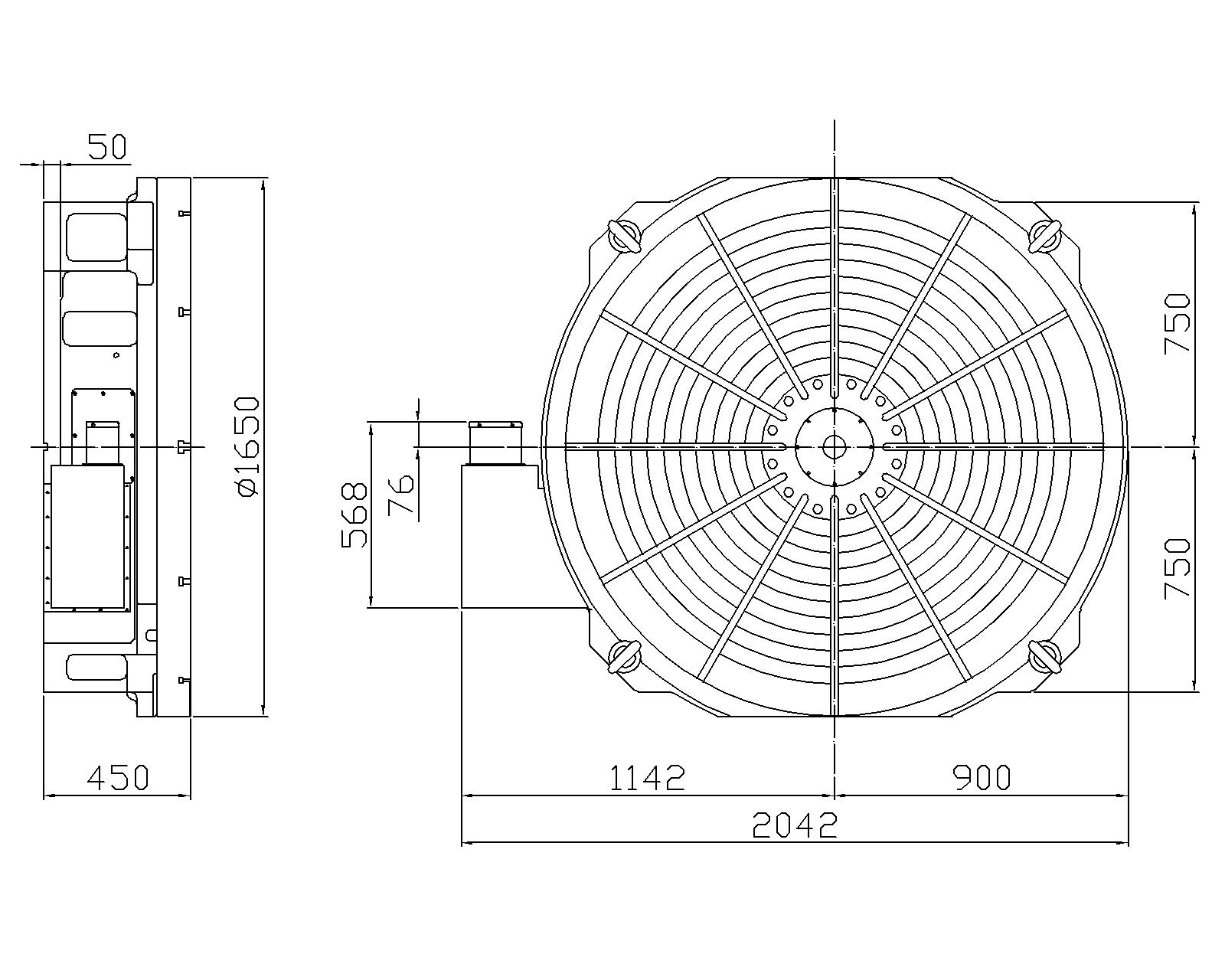
旋转台直径?500、?630、?800、?1000、?1650mm(卧式使用)。
采用高齿深的复导程蜗杆蜗轮,传动扭力大。
采用油压锁紧系统,油压锁紧力大。
最小分度角度0.001°。
| 規格/型號 | 單位 | HRNC-500S- | HRNC-630S- | HRNC-800S- | HRNC-1000C- | HRNC-1650- | ||
|---|---|---|---|---|---|---|---|---|
| 使用方式 | 臥式方盤 | 臥式方盤 | 臥式方盤 | 臥式圓盤 | 臥式圓盤 | |||
| 旋台尺寸 | mm | 500x500 | 630x630 | 800x800 | ?1000 | ?1650 | ||
| 總高度 | mm | 300 | 320 | 360 | 400 | 449 | ||
| 中心孔直徑 | mm | ?50H7 | ?50H7 Dep.30 | ?50H7 Dep.28 | ?50H7 Dep.31 | ?75H7 Dep.31 | ||
| 貫穿孔徑 | mm | ?50 | - | - | - | - | ||
| 工作台T型槽寬度 | mm | 18H7 | 18H7 | 18H7 | 22H7 | 22H7 | ||
| 導塊寬度 | mm | - | - | 18h7 | 22h7 | 22h7 | ||
| 最小設定單位 | deg. | 0.001° | 0.001° | 0.001° | 0.001° | 0.001° | ||
| 分度精度 | sec. | 15" | 15" | 15" | 15" | 15" ★10" | ||
| 重覆精度 | sec. | 4" | 4" | 4" | 4" | 4" | ||
| 伺服馬達 (廠牌可依需求指定) | FANUC | αiF 12 | αiF 12 ◆αiF 22 | αiF 22 | αiF 30 | αiF 22 | ||
| MITSUBISHI | HF/HG-204S | HF/HG-204S | HF/HG-354S | HF/HG-453S | HF/HG-354S | |||
| SIEMENS | 1FK7083 | 1FK7083 | 1FK7101 | 1FK7103 | 1FK7101 | |||
| HEIDENHAIN | QSY155B | QSY155B | QSY155D | QSY190C | QSY155D | |||
| 總減速比 | 1/180 | 1/180 | 1/180 | 1/360 | 1/720 | |||
| 盤面更高轉速 | r.p.m | 16.6 | 11.1 | 11.1 | 5.5 | 2.7 | ||
| 容許旋轉扭矩 | N.m (kgf.m) | 2450(250) | 4116(420) | 7840(800) | 13230(1350) | 14000(1428) | ||
| 使用壓力(鎖緊方式) | kg/cm2 | 35 (Hyd.) | 35 (Hyd.) | 35 (Hyd.) | 35 (Hyd.) | 35 (Hyd.) | ||
| 夾緊扭矩 | N.m (kgf.m) | 2450(250) | 4410(450) | 6860(700) | 14700(1500) | 9800(1000) | ||
| 更大載重 | 臥式安裝時 | kg | 500 | 800 | 3000 | 5000 | 8000 | |
| 容許切削負載力矩 (轉盤夾緊時) | F軸向力 | N (kgf) | 39200 (4000) | 49000 (5000) | 49000 (5000) | 100000 (10204) | 185000 (18878) | |
| FxL徑向力 | N.m (kgf.m) | 2450(250) | 4410 (450) | 6860 (700) | 14700(1500) | 9800(1000) | ||
| FxL傾斜力矩 | N.m (kgf.m) | 2450 (250) | 7840 (800) | 11600 (1184) | 22900 (2337) | 22900 (2337) | ||
| 容許負載慣性矩 | J=W.D2/8 | kg.m2 (kg.cm.sec2) | 16 (160) | 50 (506) | 240 (2450) | 625(6380) | 2773 (27780) | |
| 旋台重量(不含伺服馬達) | kg | 538 | 700 | 1200 | 2000 | 4100 | ||
企业名称:
上海潭兴企业有限公司
公司电话:
021-59785163
公司地址:
上海市青浦区崧盈路1299号5号楼1楼
资料获取:
021-59785162-8003
扫码关注我们
Copyright@2021 备案号:沪ICP备19042082号 技术支持:应客网 sitemap.xml