您好!欢迎来到上海潭兴企业有限公司官方网站!我司为台湾潭兴精工有限公司大陆分公司。

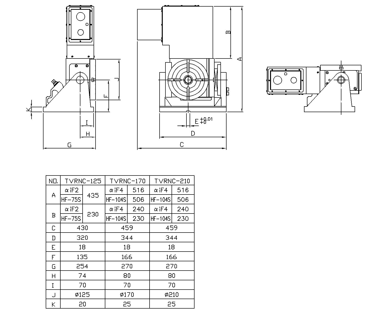
| 規格/型號 | 單位 | TVRNC-125 | TVRNC-170 | TVRNC-210 | |||||
|---|---|---|---|---|---|---|---|---|---|
| 旋台直徑 | mm | ?125 | ?170 | ?210 | |||||
| 工作台高度 (F+H) | 水平時 | mm | 219 | 241 | 241 | ||||
| 中心高度 | 90° | mm | 135 | 166 | 166 | ||||
| 總高度 | 90° | mm | 435 | 546 | 546 | ||||
| 中心孔直徑 | mm | ?25H7 | ?35H7 | ?45H7 | |||||
| 貫穿孔徑 | mm | ?13 | ?35 | ?45 | |||||
| 工作台T型槽寬度 | mm | 12H7 | 12H7 | 12H7 | |||||
| 導塊寬度 | mm | 18h7 | 18h7 | 18h7 | |||||
| 傾斜角度 | deg. | 0°~105° | 0°~105° | 0°~105° | |||||
| 軸向 | 旋轉軸 | 手動傾斜 | 旋轉軸 | 手動傾斜 | 旋轉軸 | 手動傾斜 | |||
| 最小設定單位 | deg. | 0.001° | 1°(刻線) | 0.001° | 1°(刻線) | 0.001° | 1°(刻線) | ||
| 分度精度 | sec. | 40" | - | 20" | - | 20" | - | ||
| 重覆精度 | sec. | 4" | - | 4" | - | 4" | - | ||
| 伺服馬達 (廠牌可依需求指定) | FANUC | αiF 2 | 手動式 | αiF 4 | 手動式 | αiF 4 | 手動式 | ||
| MITSUBISHI | HF/HG-75S | HF/HG-104S | HF/HG-104S | ||||||
| SIEMENS | 1FK7042 | 1FK7063 | 1FK7063 | ||||||
| HEIDENHAIN | QSY-96A | QSY116E | QSY116E | ||||||
| 總減速比 | 1/90 | - | 1/90 | - | 1/90 | - | |||
| 盤面更高轉速 | r.p.m | 44.4 | - | 44.4 | - | 44.4 | - | ||
| 容許旋轉扭矩 | N.m (kgf.m) | 83.3(8.5) | - | 147(15) | - | 147(15) | - | ||
| 使用壓力(鎖緊方式) | kg/cm2 | 5(Pne.) | 5(Pne.) | 5(Pne.) | |||||
| 夾緊扭矩 | N.m (kgf.m) | 78.4(8) | 78.4(8) | 156.8(16) | |||||
| 更大載重 | 0° (水平時) | kg | 70 | 85 | 100 | ||||
| 0°~90° (傾斜時) | kg | 40 | 50 | 60 | |||||
| 更大負荷 (轉盤夾緊時) | F軸向力 | N (kgf) | 9700 (989) | 14000(1428) | 14000(1428) | ||||
| FxL徑向力 | N.m (kgf.m) | 78.4 (8) | 78.4 (8) | 156.8 (16) | |||||
| FxL傾斜力矩 | N.m (kgf.m) | 440 (45) | 980(100) | 980 (100) | |||||
| 容許負載慣性矩 | J=W.D2/8 | kg.m2 (kg.cm.sec2) | 0.14 (1.4) | 0.3(3.1) | 0.55(5.6) | ||||
| 旋台重量(不含伺服馬達) | kg | 70 | 78 | 88 | |||||
企业名称:
上海潭兴企业有限公司
公司电话:
021-59785163
公司地址:
上海市青浦区崧盈路1299号5号楼1楼
资料获?。?/span>
021-59785162-8003
扫码关注我们
Copyright@2021 备案号:沪ICP备19042082号 技术支持:应客网 sitemap.xml